VFD075CB43A-21M Delta C200 input AC 3ph 380V 17A 0~600Hz 7.5KW 10HP Inverter VFD AC Motor Drive Enhanced case model with Keypad New
- Model: VFD075CB43A-21M
- Shipping Weight: 7.5Kg
- In Stock:20
- Manufactured by: Delta




 0 reviews
                                        0 reviews                                         
                                    VFD075CB43A-21M Delta C200 input AC 3ph 380V 17A 0~600Hz 7.5KW 10HP Inverter VFD AC Motor Drive Enhanced case model with Keypad New
VFD075CB43A-21M

Features
The VFD-C200 Series is an intelligent vector control micro drive that provides versatile control modes for motors and includes built-in PLC functions with capacity up to 5,000 steps. It is suitable for harsh environment applications with a strengthened thermal and anti-dust design that provides comprehensive protection.
Specifications
Built-in PLC program with 5,000 steps capacity
Built-in brake chopper
MODBUS RS-485 and CANopen (Slave)
The high-brightness LED keypad shares the same extension cable of the VFD-E/M/B Series to maximize operation distance
Supports open loop control of permanent motors (PM Sensorless)
Two high speed pulse input terminals MI7 and MI8 built-in with maximum speed up to 33 kHz
Two high speed pulse output terminals DFM1 and DFM2 built-in with maximum speed up to 33 kHz
New PCB coating for circuit (IEC 60721-3-3 class 3C2) and thermal design suitable for harsh environment applications
C200 Series Frame A supports wall mounted installation
Product Specifications
230V
| Frame Size | A0(1-Phase) | A0(3-Phase) | ||||||||||||
| Model VFD-xxxCB2xA-xx | 004 | 007 | 015 | 022 | 004 | 007 | 015 | 022 | 037 | |||||
| Applicable Motor Output(kW) | 0.4 | 0.75 | 1.5 | 2.2 | 0.4 | 0.75 | 1.5 | 2.2 | 3.7 | |||||
| Applicable Motor Output(hp) | 0.5 | 1 | 2 | 3 | 0.5 | 1 | 2 | 3 | 5 | |||||
| Output Rating | Normal Duty | Rated Output capacity(kVA) | 1.2 | 2.0 | 3.2 | 4.4 | 1.2 | 2.0 | 3.2 | 4.4 | 6.8 | |||
| Rated Output Current(A) | 3 | 5 | 8 | 11 | 3 | 5 | 8 | 11 | 17 | |||||
| Overload Capacity | Rated output Current: 120% for 1 minute; 160% for 3 seconds | |||||||||||||
| Max. Output Frequency(Hz) | 600.00Hz | |||||||||||||
| Carrier Frequency(kHz) | 2~15kHz (Factory setting: 8kHz) | |||||||||||||
| Heavy Duty | Rated Output capacity(kVA) | 1.1 | 1.9 | 2.8 | 4.0 | 1.1 | 1.9 | 2.8 | 4.0 | 6.4 | ||||
| Rated Output Current(A) | 2.8 | 4.8 | 7.1 | 10 | 2.8 | 4.8 | 7.1 | 10 | 16 | |||||
| Overload Capacity | Rated output Current: 150% for 1 minute; 180% for 3 seconds | |||||||||||||
| Max. Output Frequency(Hz) | 600.00Hz | |||||||||||||
| Carrier Frequency(kHz) | 2~15kHz (Factory setting: 2kHz) | |||||||||||||
| Input Rating | Input Current (A) of Normal Duty | 7.2 | 12 | 15.7 | 22 | 3.9 | 6.4 | 12 | 16 | 20 | ||||
| Input Current (A) of Heavy Duty | 6.7 | 11.5 | 14 | 20 | 3.6 | 6.1 | 11 | 15 | 18.5 | |||||
| Rated Voltage/Frequency | 1-Phase/3-Phase AC 200V~240V (-15%~+10%)- 50/60Hz | |||||||||||||
| Range of Operating Voltage | 17~265VAC | |||||||||||||
| Frequency Tolerance | 47~63Hz | |||||||||||||
| Cooling Method | Natural cooling | Fan cooling | Natural cooling | Fan cooling | ||||||||||
| Braking Chopper | Built-in | |||||||||||||
460V
| Frame Size | A0(1-Phase) | A0(3-Phase) | ||||||||
| Model VFD-xxxCB43A-xx | 007 | 015 | 022 | 037 | 040 | 055 | 075 | |||
| Applicable Motor Output(kW) | 0.75 | 1.5 | 2.2 | 3.7 | 4 | 5.5 | 7.5 | |||
| Applicable Motor Output(hp) | 1 | 2 | 3 | 5 | 5.5 | 7.5 | 10 | |||
| Output Rating | Normal Duty | Rated Output capacity(kVA) | 2.4 | 3.2 | 4.8 | 7.2 | 8.4 | 10 | 14 | |
| Rated Output Current(A) | 3.0 | 4.0 | 6.0 | 9.0 | 10.5 | 12 | 18 | |||
| Overload Capacity | Rated output Current: 120% for 1 minute; 160% for 3 seconds | |||||||||
| Max. Output Frequency(Hz) | 600.00Hz | |||||||||
| Carrier Frequency(kHz) | 2~15kHz (Factory setting: 8kHz) | |||||||||
| Heavy Duty | Rated Output capacity(kVA) | 2.3 | 3.0 | 4.5 | 6.5 | 7.6 | 9.6 | 14 | ||
| Rated Output Current(A) | 2.9 | 3.8 | 5.7 | 8.1 | 9.5 | 11 | 17 | |||
| Overload Capacity | Rated output Current: 150% for 1 minute; 180% for 3 seconds | |||||||||
| Max. Output Frequency(Hz) | 600.00Hz | |||||||||
| Carrier Frequency(kHz) | 2~15kHz (Factory setting: 2kHz) | |||||||||
| Input Rating | Input Current (A) of Normal Duty | 4.3 | 5.9 | 8.7 | 14 | 15.5 | 17 | 20 | ||
| Input Current (A) of Heavy Duty | 4.1 | 5.6 | 8.3 | 13 | 14.5 | 16 | 19 | |||
| Rated Voltage/Frequency | 3-Phase AC 380V~480V (-15%~+10%)- 50/60Hz | |||||||||
| Range of Operating Voltage | 323~528VAC | |||||||||
| Frequency Tolerance | 47~63Hz | |||||||||
| Cooling Method | Natural cooling | Fan cooling | ||||||||
| Braking Chopper | Built-in | |||||||||
Applications
Food packaging machinery, conveyors, textile machinery, woodworking machinery, fans, pumps.
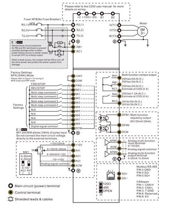
Wiring

There are currently no product reviews.

 
            
            