VFD055V43A-2 DELTA VFD-VE VFD Inverter Frequency converter 5.5kw 7.5HP 3PHASE 380V 600Hz for CNC high speed spindle motor
- Model: VFD055V43A-2
- Shipping Weight: 9.6Kg
- In Stock:10
- Manufactured by: Delta




0 reviews
VFD055V43A-2

Features
This series adopts FOC (Field Oriented Control) which is a far more precise vector control algorithm. It can be used in both speed control and position control similar to a servo motor drive. The multi-function I/O terminal is expanded to meet users' various application needs. In addition, it is supplied with a Windows based PC software program for managing parameters and dynamic monitoring. It provides an excellent solution for load regulation. It can output 150% of rated torque at zero speed, and it can have "point to point" and relative distance control functions for position control, making it the best choice for challenging industrial control applications.
Specifications
|
Applications
Power transmission equipment, elevator, crane, CNC tooling machines, extrusion machines, injection molding machines, and auto-storage and retrieval systems.
Standard Specifications
230V Class
|
Voltage Class |
230V Class |
||||||||||||
|
Model Number VFD-XXXV |
007 |
015 |
022 |
037 |
055 |
075 |
110 |
150 |
185 |
220 |
300 |
370 |
|
|
Max. Applicable Motor Output (kW) |
0.75 |
1.5 |
2.2 |
3.7 |
5.5 |
7.5 |
11 |
15 |
18.5 |
22 |
30 |
37 |
|
|
Max. Applicable Motor Output (hp) |
1.0 |
2.0 |
3.0 |
5.0 |
7.5 |
10 |
15 |
20 |
25 |
30 |
40 |
50 |
|
|
Output Rating |
Rated Output Capacity (kVA) |
1.9 |
2.7 |
4.2 |
6.5 |
9.5 |
13 |
19 |
25 |
29 |
34 |
46 |
55 |
|
Rated Output Current for Constant Torque (A) |
5.0 |
7.5 |
11 |
17 |
25 |
33 |
49 |
65 |
75 |
90 |
120 |
146 |
|
|
Rated Output Current for Variable Torque (A) |
6.25 |
9.4 |
13 |
21 |
31 |
41 |
61 |
81 |
93 |
112 |
150 |
182 |
|
|
Maximum Output Voltage (V) |
3-Phase Proportional to Input Voltage |
||||||||||||
|
Output Frequency (Hz) |
0.00~600.00 Hz |
||||||||||||
|
Carrier Frequency (kHz) |
15 |
9 |
6 |
||||||||||
|
|
Rated Input Current (A) |
6.4 |
9.9 |
15 |
21 |
25 |
33 |
52 |
63 |
68 |
79 |
106 |
126 |
|
Rated Voltage/Frequency |
3-phase 200-240V, 50/60Hz |
||||||||||||
|
Voltage Tolerance |
|
||||||||||||
|
Frequency Tolerance |
|
||||||||||||
|
Cooling Method |
Natural |
Fan Cooled |
|||||||||||
|
Weight (kg) |
2.7 |
3.2 |
4.5 |
6.8 |
8 |
10 |
13 |
13 |
13 |
13 |
36 |
36 |
|
460V Class
|
Voltage Class |
460V Class |
|||||||||||||||
|
Model Number VFD-XXXV |
007 |
015 |
022 |
037 |
055 |
075 |
110 |
150 |
185 |
220 |
300 |
370 |
450 |
550 |
750 |
|
|
Max. Applicable Motor Output (kW) |
0.75 |
1.5 |
2.2 |
3.7 |
5.5 |
7.5 |
11 |
15 |
18.5 |
22 |
30 |
37 |
45 |
55 |
75 |
|
|
Max. Applicable Motor Output (hp) |
1.0 |
2.0 |
3.0 |
5.0 |
7.5 |
10 |
15 |
20 |
25 |
30 |
40 |
50 |
60 |
75 |
100 |
|
|
Output Rating |
Rated Output Capacity (kVA) |
2.3 |
3.2 |
4.2 |
6.3 |
9.9 |
14 |
18 |
24 |
29 |
34 |
46 |
56 |
69 |
80 |
100 |
|
Rated Output Current for Constant Torque (A) |
3.0 |
4.2 |
6.0 |
8.5 |
13 |
18 |
24 |
32 |
38 |
45 |
60 |
73 |
91 |
110 |
150 |
|
|
Rated Output Current for Variable Torque (A) |
3.8 |
5.3 |
7.5 |
10 |
16 |
22 |
30 |
40 |
47 |
56 |
75 |
91 |
113 |
138 |
188 |
|
|
Maximum Output Voltage (V) |
3-phase Proportional to Input Voltage |
|||||||||||||||
|
Output Frequency (Hz) |
0.00~600.00 Hz |
|||||||||||||||
|
Carrier Frequency (kHz) |
15 |
9 |
6 |
|||||||||||||
|
Input Rating |
Rated Input Current (A) |
3-phase 380~480V |
||||||||||||||
|
4.0 |
5.8 |
7.4 |
9.9 |
12 |
17 |
25 |
27 |
35 |
42 |
56 |
67 |
87 |
101 |
122 |
||
|
Rated Voltage |
3-phase 380 to 480 V |
|||||||||||||||
|
Voltage Tolerance |
|
|||||||||||||||
|
Frequency Tolerance |
|
|||||||||||||||
|
Cooling Method |
Natural |
Fan Cooled |
||||||||||||||
|
Weight (kg) |
2.7 |
3.2 |
4.5 |
6.8 |
8 |
10 |
13 |
13 |
13 |
13 |
36 |
36 |
36 |
50 |
50 |
|
General Specifications
|
Control Characteristics |
Control System |
1 V/f curve; 2 V/f+PG; 3 SVC; 4 FOC+PG; 5 TQR+PG |
|
Start Torque |
Starting torque is 150% at 0.5Hz and 0Hz with FOC + PG control mode |
|
|
Speed Control Range |
1:100 Sensorless vector (up to 1:1000 when using PG card) |
|
|
Speed Control Resolution |
|
|
|
Speed Response Ability |
5Hz (up to 30Hz for vector control) |
|
|
Max. Output Frequency |
0.00 to 600.00Hz |
|
|
Output Frequency Accuracy |
Digital command |
|
|
Frequency Setting Resolution |
Digital command frequency |
|
|
Torque Limit |
Max. is 200% torque current |
|
|
Torque Accuracy |
|
|
|
Accel/Decel Time |
0.00 to 600.00/0.0 to 6000.0 seconds |
|
|
V/f Curve |
Adjustable V/f curve using 4 independent points and square curve |
|
|
Frequency Setting Signal |
|
|
|
Brake Torque |
About 20% |
|
|
|
Motor Protection |
Electronic thermal relay protection |
|
Over-current Protection |
The current forces 220% of the over-current protection and 300% of the rated current |
|
|
Ground Leakage Current Protection |
Higher than 50% X rated current |
|
|
Overload Ability |
Constant torque: 150% for 60 seconds, variable torque: 200% for 3 seconds |
|
|
Over-voltage Protection |
Over-voltage level: Vdc > 400/800V; low-voltage level: Vdc < 200/400V |
|
|
Over-voltage Protection for the Input Power |
Varistor (MOV) |
|
|
Over-temperature Protection |
Built-in temperature sensor |
|
|
Compensation for the Momentory Power Loss |
Up to 5 seconds for parameter setting |
|
|
|
Protection Level |
NEMA 1/IP21 |
|
Operation Temperature |
-10 |
|
|
Storage Temperature |
-20 |
|
|
Ambient Humidity |
Below 90% RH (non-condensing) |
|
|
Vibration |
9.80665m/s2 (1G) less than 20Hz, 5.88m/s2(0.6G) at 20 to 50Hz |
|
|
Installation Location |
Altitude 1,000 m or lower, keep from corrosive gasses, liquid and dust |
Dimensions

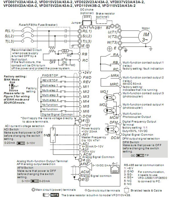
Basic wiring Diagram

There are currently no product reviews.
