VFD004S23A DELTA VFD-S VFD Inverter Frequency converter 400W 0.5HP 3PHASE 220V 400HZ
- Model: VFD004S23A
- Shipping Weight: 1.7Kg
- In Stock:10
- Manufactured by: Delta




0 reviews
VFD004S23A

Features
General Purpose AC Micro Drive. Delta Electronics most cost effective general purpose drive. The VFD-S series drive is famous for its low-noise carrier frequency feature and easy to use keypad.
Specifications
Output frequency 1.0 ~ 400 Hz
Adjustable V/f curve
Carrier frequency up to 10 kHz
Built-in PID feedback control
Built-in MODBUS communication, baud rate up to 38400 bps
Momentary power failure or fault restart
Built-in Sleep / Revival function
Support communication module (DN-02, LN-01, PD-01)
Applications
Air conditioner for large buildings; water supply system for large buildings; temperature control of middle/large oven; webbing loom; packing machine; conveyer belt; fan of drying machine, etc.
General Specifications
|
Control Characteristics |
Control System |
SPWM (Sinusoidal Pulse Width Modulation)Control (V/f or sensorless vector control) |
|
|
Frequency Setting Resolution |
0.01Hz |
||
|
Outing Frequency Resolution |
0.01Hz |
||
|
Torque Characteristics |
Including the auto-torque/auto-slip compensation; starting torque can be 150% at 5.0Hz |
||
|
Overload endurance |
150% of rated current for 1 minute |
||
|
Skip Frequency |
Three zones, setting range 0~400Hz |
||
|
Accel/Decel Time |
0.1 to 600 seconds (2 Independent setting of Accel/Decel time) |
||
|
Stall Prevention Level Frequency Setting |
20%-150%, Setting of Rated Current |
||
|
DC injection Braking |
Operation frequency 0~400Hz, output 0~30% rated current Start time 0~60 seconds, stop time 0~60 seconds |
||
|
Braking Torque |
Approx, 20% (up to 125% possible with optional braking resistor or externally mounted brake unit |
||
|
V/f Pattern |
Adjustable V/f pattern |
||
|
Operating Characteristics |
Frequency Setting |
Keypad |
Setting by “UP” “Down” |
|
External Signal |
Potentiometer-5k ohm / 0.5W, 0 to +10VDC, 4 to 20mA, RS-485 interface; Multi-function Inputs 0 to 5(7 steps, Jog, up/down) |
||
|
Operation Setting Signal |
Keypad |
Set by RUN and STOP |
|
|
External Signal |
2 wires/3 wires (RUN,STOP,FWD/ REV), JOG operation, RS-485 serial interface(MODBUS) |
||
|
Multi-function Input signal |
Multi-step selection 0 to 7, Jog, accel/decal inhibit, first to forth accel/decal switches, counter, PLC Operation external Base Block (NC,NO), axxiliary motor control is invalid, ACI/AVI/AUI selections, driver reset, UP/DOWN key setting, sink/source selection |
||
|
Multi-function Output Indication |
AC drive operating, frequency attained, non-zero frequency, Base Block, fault indication, local/remote, indication, auxiliary motor output, drive is ready, overheat alarm, emergency stop |
||
|
Analog Output Signal |
Analog frequency/current signal output |
||
|
Alarm Output Contact |
1 Form C contact or open collector output |
||
|
Operation Functions |
AVR, S-Curve, Over-Voltage, Over-Current Stall Prevention, Fault Records, Adjustable Carrier Frequency, DC Braking, Momentary Power Loss restart, Frequency Limits, Parameter Lock/Reset, Counter, PID Control, PLC, MODBUS Communication, Reverse Inhibition, Abnormal reset, abnormal re-start, digital frequency output, sleep/revival function, |
||
|
Protection Functions |
Self-testing, Over Voltage, Over Current, Under Voltage, Overload, Overheating, External Fault, Electronic thermal, Ground Fault |
||
|
Display Keypad |
6-key, 4-digit, 7-segment LED, 4 status LEDs, master frequency, output frequency, output current, custom units, parameter values for setup, review faults, RUN/STOP/RESET,FWD/REV |
||
|
Built-in EMI Filter |
VFD002S21E, VFD004S21E, VFD004S43E, VFD007S21E, VFD007S43E, VFD015S21E, VFD015S43E, VFD022S21E, VFD022S43E |
||
|
Environmental Conditions |
Enclosure Rating |
IP20 |
|
|
Pollution Degree |
2 |
||
|
Installation Location |
Altitude 1,000m or lower, keep from corrosive gasses, liquid and dust |
||
|
Ambient Temperature |
-100C to + 500C (400C for side-by-side mounting) Non-Condensing and not frozen |
||
|
Storage/Transportation Temperature |
-200C + 600C |
||
|
Ambient Humidity |
Below 90% RH (non-condensing) |
||
|
Vibration |
9.80665m/s2(1G) less than 20Hz, 5.88m/s2 (0.6G) at 20 to 50Hz |
||
Standard Specifications
115V series 1-phase
|
Model Number VFDXXXS |
002 |
004 |
007 |
|
|
Max. Applicable Motor Output (kW) |
0.2 |
0.4 |
0.75 |
|
|
Max. Applicable Motor Output(HP) |
0.25 |
0.5 |
1.0 |
|
|
Output Rating |
Rated Output Capacity(kVA) |
0.6 |
1.0 |
1.6 |
|
Rated Output Current(A) |
1.6 |
2.5 |
4.2 |
|
|
Maximum Output Voltage(V) |
3-phase proportional to twice the input Voltage |
|||
|
Output Frequency (Hz) |
0.1~400Hz |
|||
|
Carrier Frequency (kHz) |
3-10 |
|||
|
Input Rating |
Rated Input Current(A) |
Single Phase |
||
|
6 |
9 |
16 |
||
|
Rated Voltage, Frequency |
Single phase 100-120V, 50/60Hz |
|||
|
Voltage Tolerance |
+-10%(90~132V) |
|||
|
Frequency Tolerance |
+-5%(47~63Hz) |
|||
|
Cooling Method |
Natural |
|||
|
Weight(kg) |
1.3 |
1.5 |
2.0 |
|
230V Series 1-phase/3-phase
|
Model Number VFDxxxS21/23 |
002 |
004 |
007 |
015 |
022 |
|||
|
Max. Applicable Motor Output (kW) |
0.2 |
0.4 |
0.75 |
1.5 |
2.2 |
|||
|
Max. Applicable Motor Output(HP) |
0.25 |
0.5 |
1.0 |
2.0 |
3.0 |
|||
|
Output Rating |
Rated Output Capacity(kVA) |
0.6 |
1.0 |
1.6 |
2.9 |
4.4/4 .2 |
||
|
Rated Output Current(A) |
1.6 |
2.5 |
4.2 |
7.5 |
11.0 |
|||
|
Maximum Output Current(V) |
3-Phase Proportional to input voltage |
|||||||
|
Output Frequency (Hz) |
0.1~400Hz |
|||||||
|
Carrier Frequency (kHz) |
3-10 |
|||||||
|
Input Rating |
Rated Input Current(A) |
Single/3-Phase |
||||||
|
4.9/1.9 |
6.5/2.7 |
9.7/5.1 |
15.7/9.0 |
24/15 |
||||
|
Single(3-phase Input Current) |
1.6 |
3.0 |
5.1 |
8.4 |
-- |
|||
|
Rated Voltage, Frequency |
Single/3-phase 200-240V,50/60Hz |
|||||||
|
Voltage Tolerance |
+-10%(180~264V) |
|||||||
|
Frequency Tolerance |
+-5%(47~63V) |
|||||||
|
Cooling Method |
Natural |
Fan cooled |
||||||
|
Weight(kg) |
1.3 |
1.5 |
1.5 |
2.2 |
3.2 |
|||
460V Series 3-phase
|
Model Number VFDXXXS |
004 |
007 |
015 |
022 |
|
|
Max. Applicable Motor Output(kW) |
0.4 |
0.75 |
1.5 |
2.2 |
|
|
Max. Applicable Motor Output(HP) |
0.5 |
1.0 |
2.0 |
3.0 |
|
|
Output Rating |
Rated Output Capacity(kVA) |
1.2 |
2.0 |
3.3 |
4.4 |
|
Rated Output Current(A) |
1.5 |
2.5 |
4.2 |
5.5 |
|
|
Maximum Output Voltage(V) |
3-Phase Proportional to input voltage |
||||
|
Output Frequency(Hz) |
0.1-400Hz |
||||
|
Carrier Frequency(kHz) |
3-10 |
||||
|
Input Rating |
Rated Input Current(A) |
3-phase |
|||
|
1.7 |
2.9 |
5.1 |
6.9 |
||
|
Rated Voltage, Frequency |
3-phase 380~480V, 50/60Hz |
||||
|
Voltage Tolerance |
+-10%(342~528V) |
||||
|
Frequency Tolerance |
+-5%(47~63Hz) |
||||
|
Cooling Method |
Natural |
Fan Cooled |
|||
|
Weight(kg) |
1.5 |
1.5 |
2.0 |
2.2 |
|
Dimensions

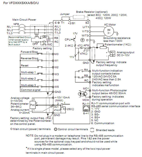
Standard wiring diagram

There are currently no product reviews.

