VFD004CB21A-20 Delta C200 input AC 1ph 220V 2.8A 0~600Hz 0.4KW 0.5HP Inverter VFD AC Motor Drive with Keypad New
- Model: VFD004CB21A-20
- Shipping Weight: 2Kg
- In Stock:20
- Manufactured by: Delta




0 reviews
VFD004CB21A-20 Delta C200 input AC 1ph 220V 2.8A 0~600Hz 0.4KW 0.5HP Inverter VFD AC Motor Drive with Keypad New
VFD004CB21A-20

Features
The VFD-C200 Series is an intelligent vector control micro drive that provides versatile control modes for motors and includes built-in PLC functions with capacity up to 5,000 steps. It is suitable for harsh environment applications with a strengthened thermal and anti-dust design that provides comprehensive protection.
Specifications
Built-in PLC program with 5,000 steps capacity
Built-in brake chopper
MODBUS RS-485 and CANopen (Slave)
The high-brightness LED keypad shares the same extension cable of the VFD-E/M/B Series to maximize operation distance
Supports open loop control of permanent motors (PM Sensorless)
Two high speed pulse input terminals MI7 and MI8 built-in with maximum speed up to 33 kHz
Two high speed pulse output terminals DFM1 and DFM2 built-in with maximum speed up to 33 kHz
New PCB coating for circuit (IEC 60721-3-3 class 3C2) and thermal design suitable for harsh environment applications
C200 Series Frame A supports wall mounted installation
Product Specifications
230V
|
Frame Size |
A0(1-Phase) |
A0(3-Phase) |
||||||||||||
|
Model VFD-xxxCB2xA-xx |
004 |
007 |
015 |
022 |
004 |
007 |
015 |
022 |
037 |
|||||
|
Applicable Motor Output(kW) |
0.4 |
0.75 |
1.5 |
2.2 |
0.4 |
0.75 |
1.5 |
2.2 |
3.7 |
|||||
|
Applicable Motor Output(hp) |
0.5 |
1 |
2 |
3 |
0.5 |
1 |
2 |
3 |
5 |
|||||
|
Output Rating |
Normal Duty |
Rated Output capacity(kVA) |
1.2 |
2.0 |
3.2 |
4.4 |
1.2 |
2.0 |
3.2 |
4.4 |
6.8 |
|||
|
Rated Output Current(A) |
3 |
5 |
8 |
11 |
3 |
5 |
8 |
11 |
17 |
|||||
|
Overload Capacity |
Rated output Current: 120% for 1 minute; 160% for 3 seconds |
|||||||||||||
|
Max. Output Frequency(Hz) |
600.00Hz |
|||||||||||||
|
Carrier Frequency(kHz) |
2~15kHz (Factory setting: 8kHz) |
|||||||||||||
|
Heavy Duty |
Rated Output capacity(kVA) |
1.1 |
1.9 |
2.8 |
4.0 |
1.1 |
1.9 |
2.8 |
4.0 |
6.4 |
||||
|
Rated Output Current(A) |
2.8 |
4.8 |
7.1 |
10 |
2.8 |
4.8 |
7.1 |
10 |
16 |
|||||
|
Overload Capacity |
Rated output Current: 150% for 1 minute; 180% for 3 seconds |
|||||||||||||
|
Max. Output Frequency(Hz) |
600.00Hz |
|||||||||||||
|
Carrier Frequency(kHz) |
2~15kHz (Factory setting: 2kHz) |
|||||||||||||
|
Input Rating |
Input Current (A) of Normal Duty |
7.2 |
12 |
15.7 |
22 |
3.9 |
6.4 |
12 |
16 |
20 |
||||
|
Input Current (A) of Heavy Duty |
6.7 |
11.5 |
14 |
20 |
3.6 |
6.1 |
11 |
15 |
18.5 |
|||||
|
Rated Voltage/Frequency |
1-Phase/3-Phase AC 200V~240V (-15%~+10%)- 50/60Hz |
|||||||||||||
|
Range of Operating Voltage |
17~265VAC |
|||||||||||||
|
Frequency Tolerance |
47~63Hz |
|||||||||||||
|
Cooling Method |
Natural cooling |
Fan cooling |
Natural cooling |
Fan cooling |
||||||||||
|
Braking Chopper |
Built-in |
|||||||||||||
460V
|
Frame Size |
A0(1-Phase) |
A0(3-Phase) |
||||||||
|
Model VFD-xxxCB43A-xx |
007 |
015 |
022 |
037 |
040 |
055 |
075 |
|||
|
Applicable Motor Output(kW) |
0.75 |
1.5 |
2.2 |
3.7 |
4 |
5.5 |
7.5 |
|||
|
Applicable Motor Output(hp) |
1 |
2 |
3 |
5 |
5.5 |
7.5 |
10 |
|||
|
Output Rating |
Normal Duty |
Rated Output capacity(kVA) |
2.4 |
3.2 |
4.8 |
7.2 |
8.4 |
10 |
14 |
|
|
Rated Output Current(A) |
3.0 |
4.0 |
6.0 |
9.0 |
10.5 |
12 |
18 |
|||
|
Overload Capacity |
Rated output Current: 120% for 1 minute; 160% for 3 seconds |
|||||||||
|
Max. Output Frequency(Hz) |
600.00Hz |
|||||||||
|
Carrier Frequency(kHz) |
2~15kHz (Factory setting: 8kHz) |
|||||||||
|
Heavy Duty |
Rated Output capacity(kVA) |
2.3 |
3.0 |
4.5 |
6.5 |
7.6 |
9.6 |
14 |
||
|
Rated Output Current(A) |
2.9 |
3.8 |
5.7 |
8.1 |
9.5 |
11 |
17 |
|||
|
Overload Capacity |
Rated output Current: 150% for 1 minute; 180% for 3 seconds |
|||||||||
|
Max. Output Frequency(Hz) |
600.00Hz |
|||||||||
|
Carrier Frequency(kHz) |
2~15kHz (Factory setting: 2kHz) |
|||||||||
|
Input Rating |
Input Current (A) of Normal Duty |
4.3 |
5.9 |
8.7 |
14 |
15.5 |
17 |
20 |
||
|
Input Current (A) of Heavy Duty |
4.1 |
5.6 |
8.3 |
13 |
14.5 |
16 |
19 |
|||
|
Rated Voltage/Frequency |
3-Phase AC 380V~480V (-15%~+10%)- 50/60Hz |
|||||||||
|
Range of Operating Voltage |
323~528VAC |
|||||||||
|
Frequency Tolerance |
47~63Hz |
|||||||||
|
Cooling Method |
Natural cooling |
Fan cooling |
||||||||
|
Braking Chopper |
Built-in |
|||||||||
Applications
Food packaging machinery, conveyors, textile machinery, woodworking machinery, fans, pumps
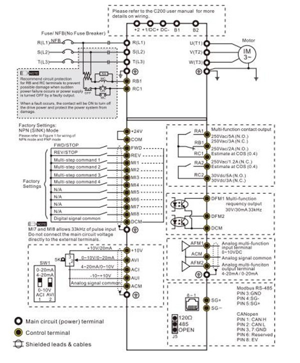
Wiring

There are currently no product reviews.
